Gear of misfortune

clip_image001

clip_image001[7]

So the issue with the 63307100 Timing Actuator I’m having issues with turn out to be with the gear inside as shown above.

Given the teeth are all broken the easiest option seems to be to replace these but new and second hands are hard to come by. Seems like 3D printing might be the best option for a replacement.

Let me see what I can find and report back.

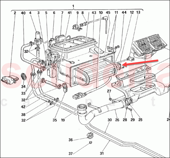
Parts hunt

One of the concerns with a aging car is in the scarcity of replacements parts. Looks like I may be up against that at the moment with the following part:

63307100 Timing Actuator

Which enables air flow to be directed to either the windscreen, central vents or feet. The part is currently unavailable to buy new and as such sourcing a used part is hard to find and expensive.

image

image

image

image

So far, no luck with any supplier I have contacted. I’ll keep trying and share the results.